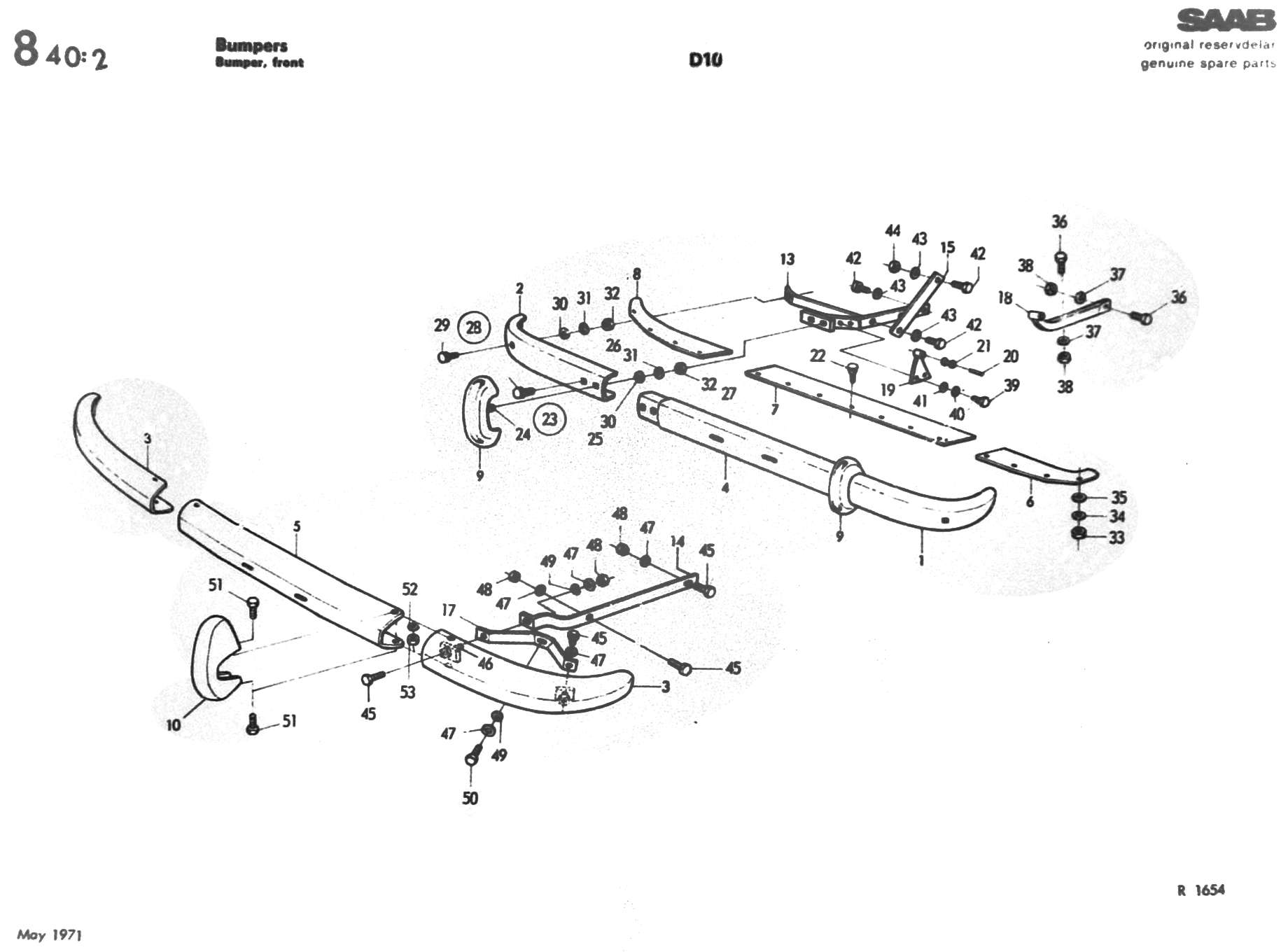
6-D10         ↑ Main Index     < Previous     Next >

6-D10