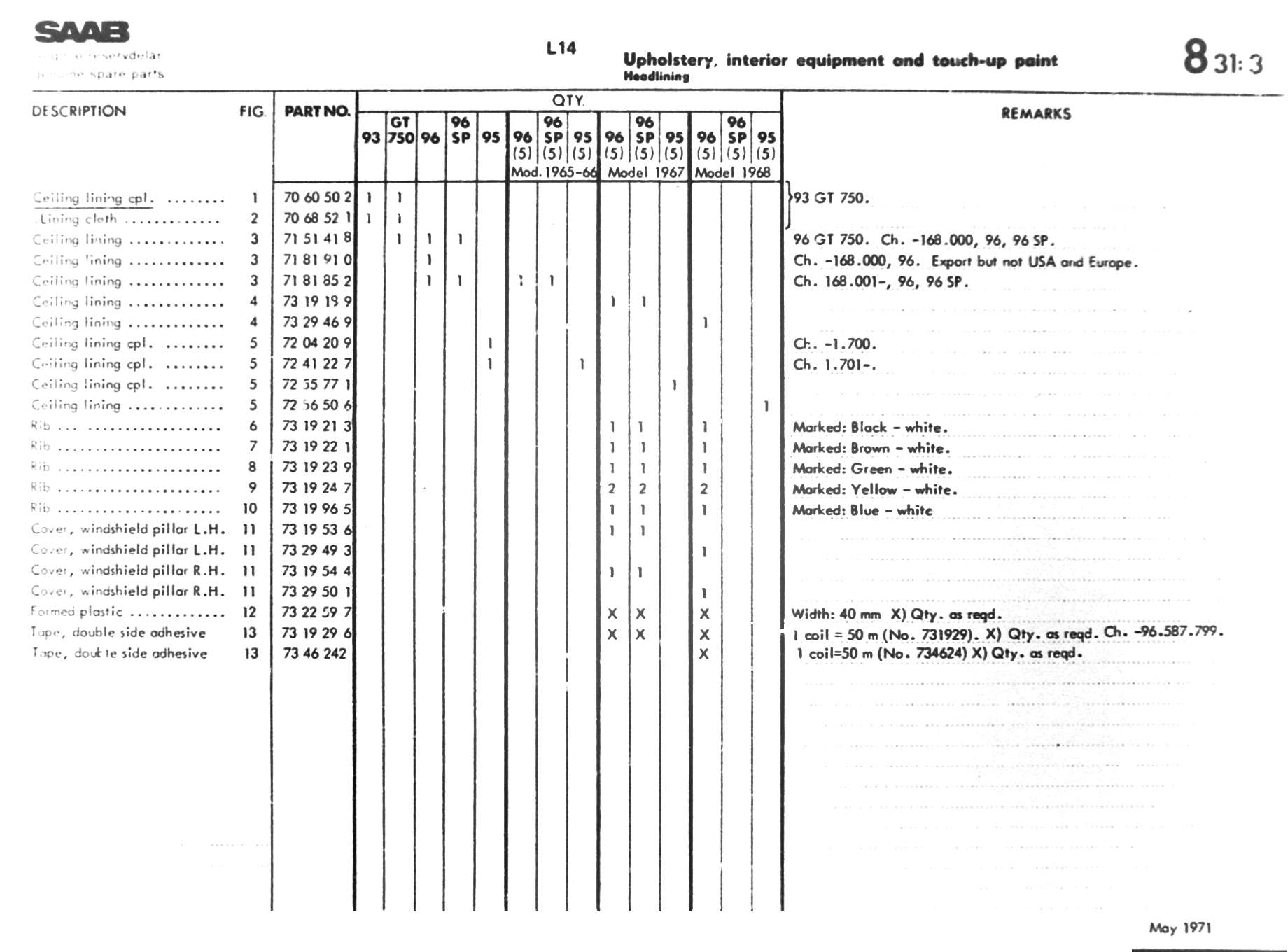
5-L14         ↑ Main Index     < Previous     Next >

5-L14