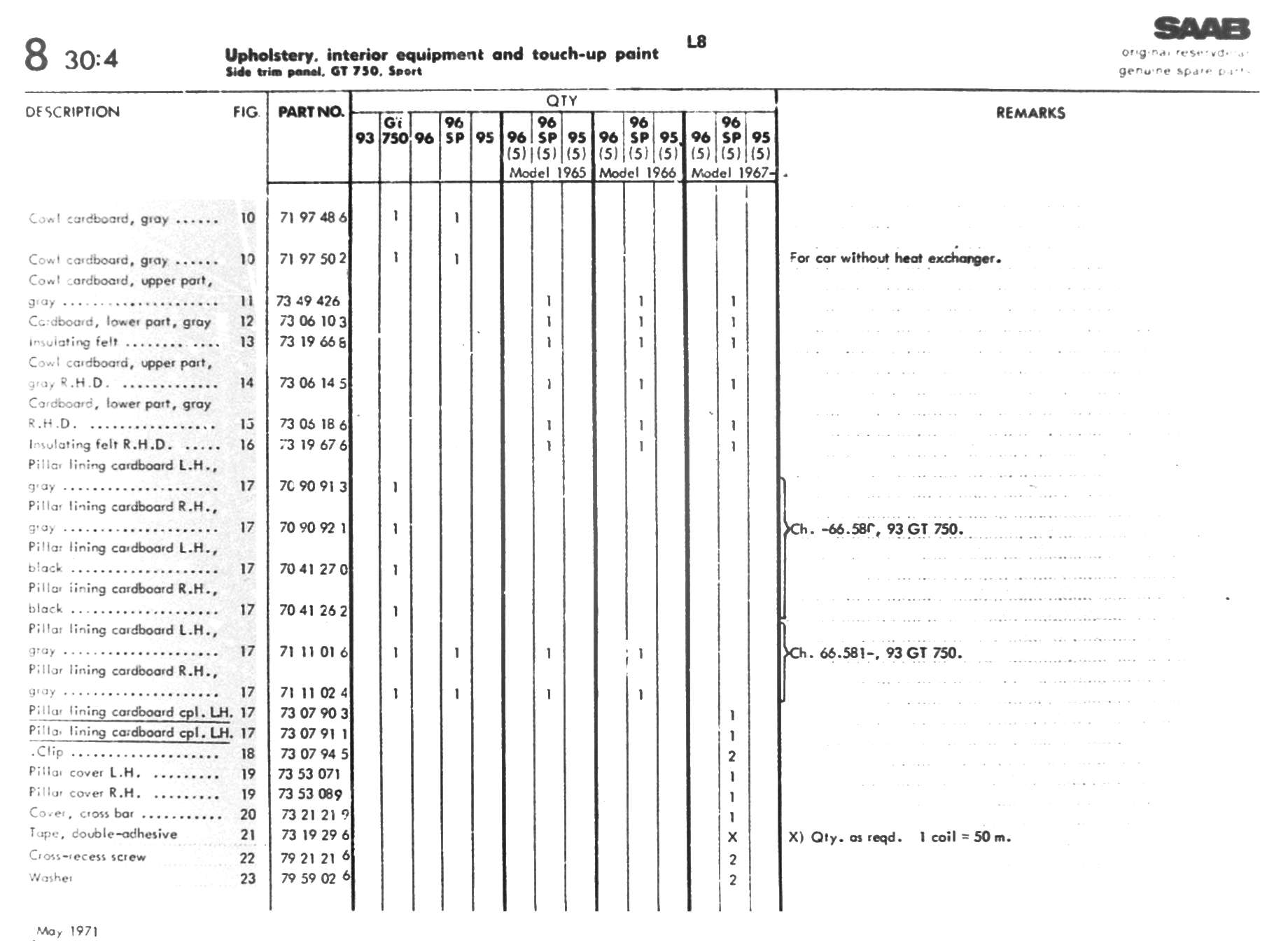
5-L08         ↑ Main Index     < Previous     Next >

5-L08