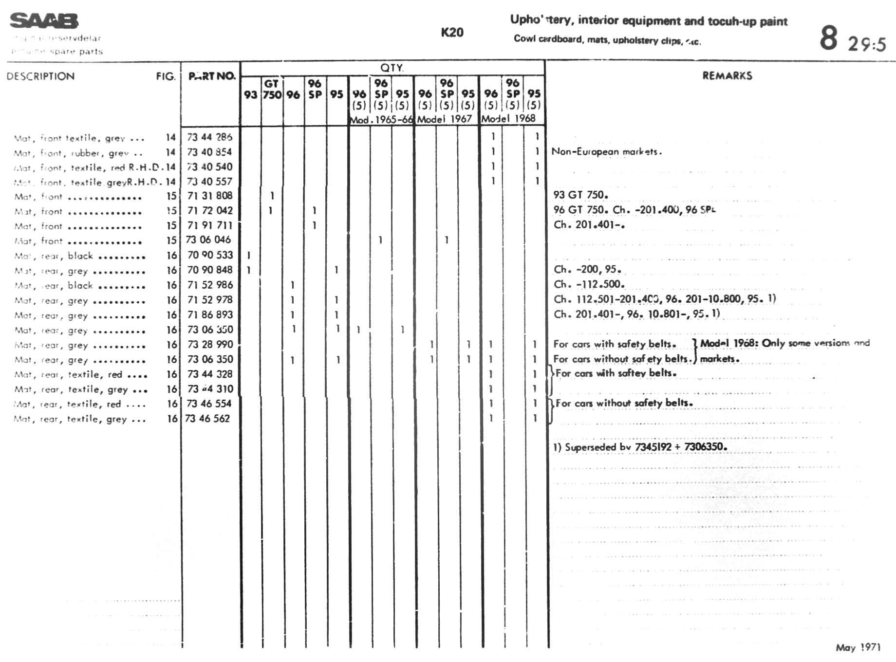
5-K20         ↑ Main Index     < Previous     Next >

5-K20