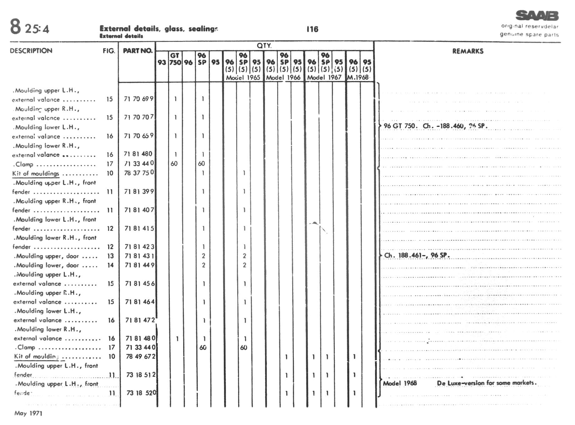
5-I16         ↑ Main Index     < Previous     Next >

5-I16