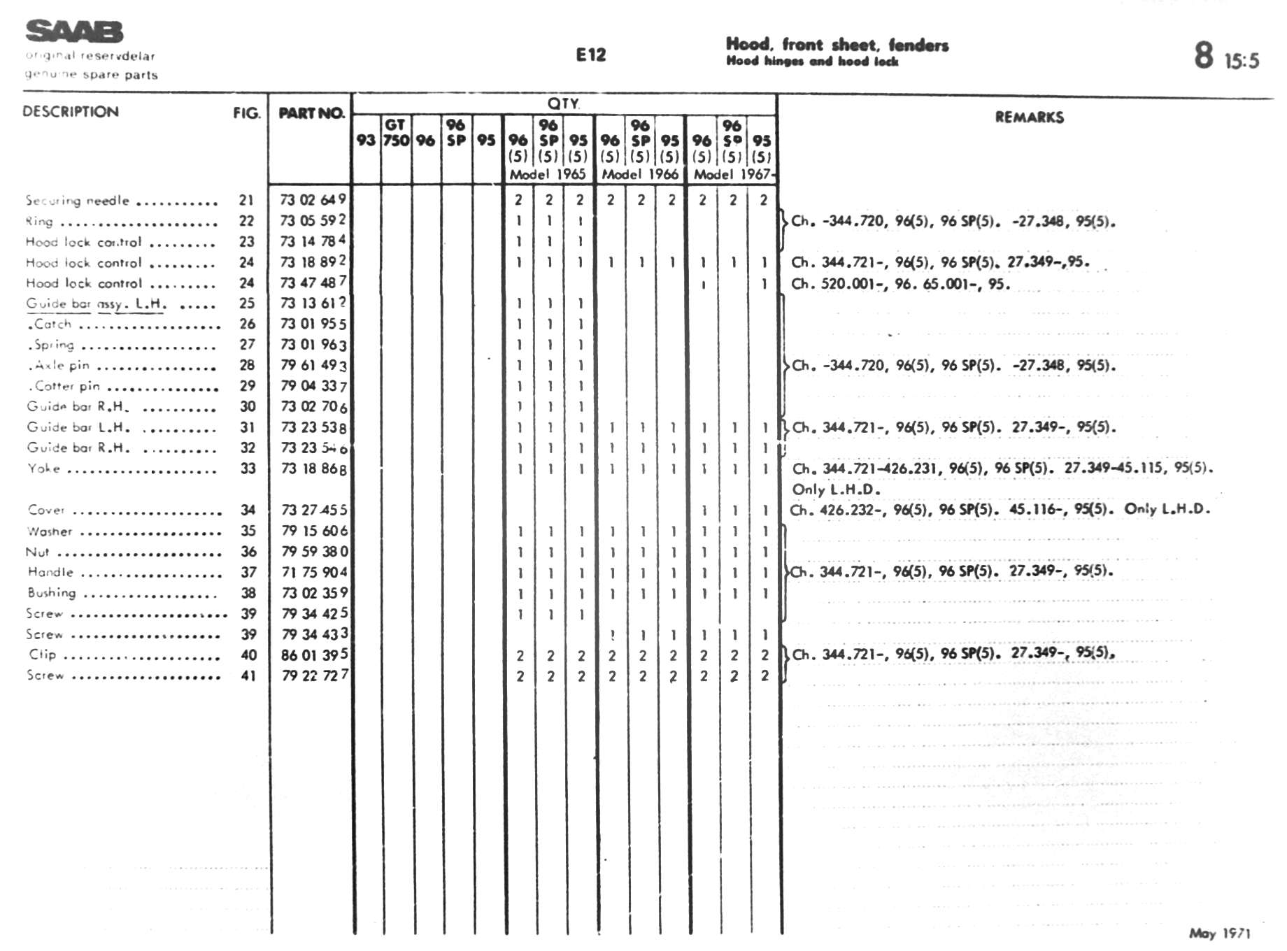
5-E12         ↑ Main Index     < Previous     Next >

5-E12