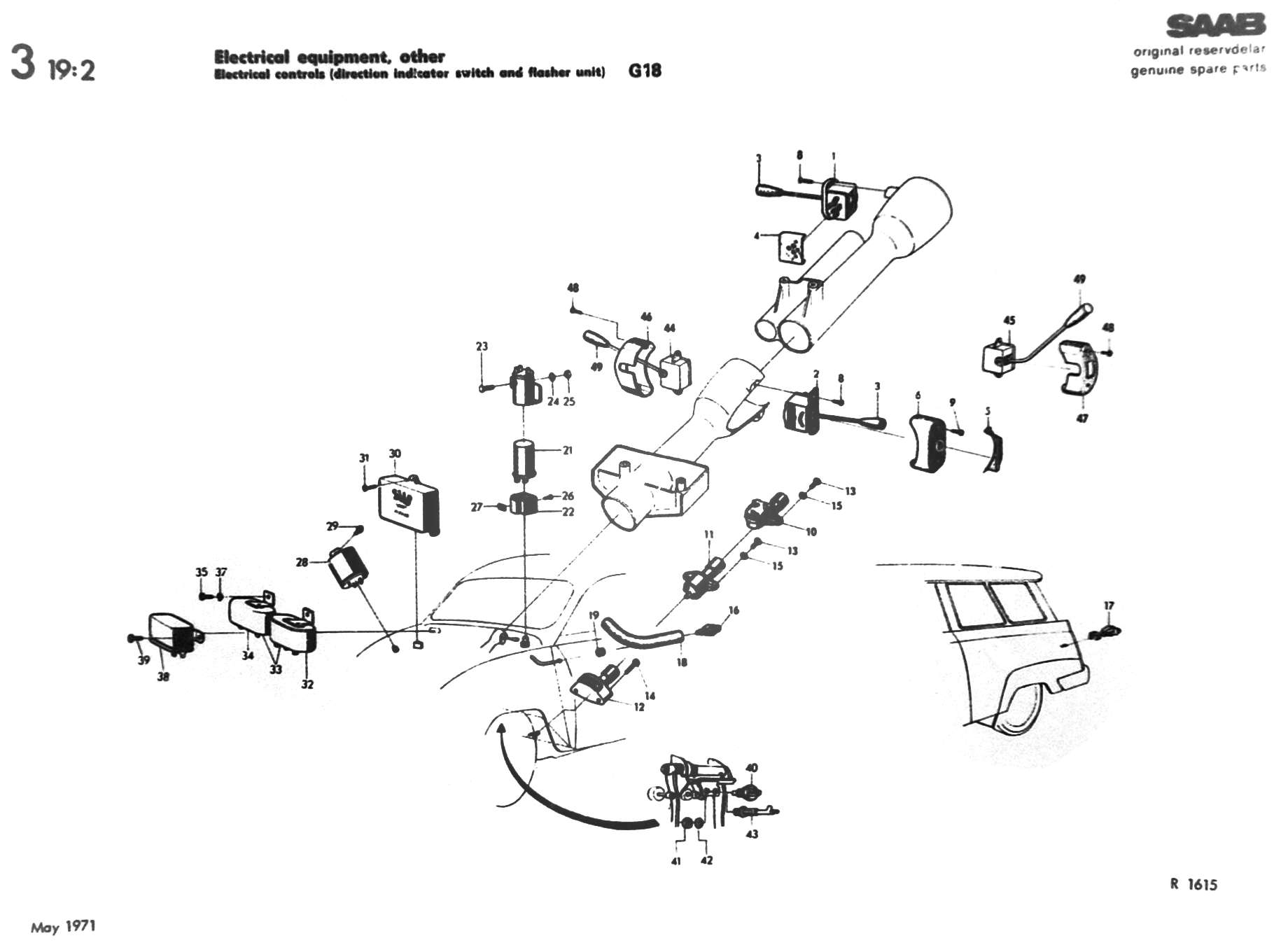
3-G18         ↑ Main Index     < Previous     Next >

3-G18