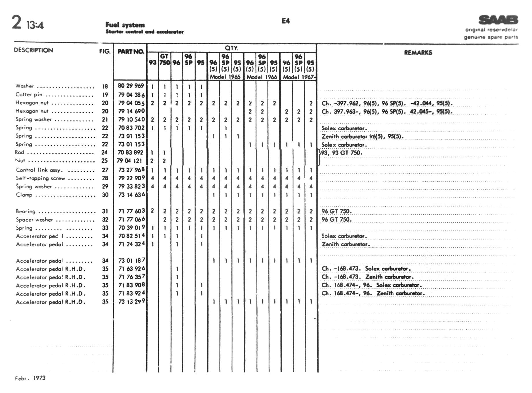
2-E04         ↑ Main Index     < Previous     Next >

2-E04